本文的主要内容是:使用单片机如何实现 0 ~ 10V 的信号输出。一、MCU 的 DAC种方式,利用1
传统电气设备采用的各种控制信号,必须转换到与单片机输入/输出口相匹配的数字信号。用户设备须输入到单片1
电流检测技术在现今的生活与工作中都有广泛的应用,许多的系统中都需要检测流入和流出的电流大小,检测电流1
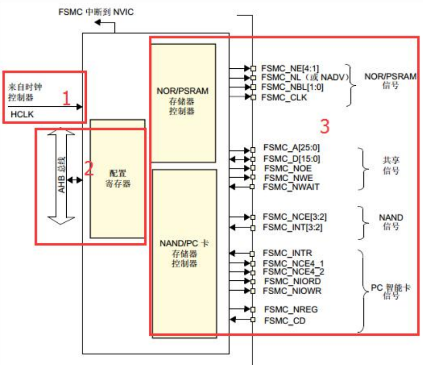
FSMC 简介STM32F103 100 引脚以上系列芯片都带有 FSMC 接口,我们开发板上使用的1
一般丝印是产品型号和工厂品牌的代码,由于二极管、三极管上面的空间局限,所以通常用丝印来代替。通常工程1
在目前市场上,由意法半导体公司所设计32位微控制器在有非常高的占有率,意法半导体为了能够拥有不同类型1
电器应用中常用的隔离器件有光耦、继电器、变压器。❤光耦属于流控型元件,以光为媒介传输信号:电→光→电1
想要为当今的汽车电子应用选择可靠的电容器,需要了解各电容器的性能特点以及不同应用中的工作条件。与数据1
深圳市兰圣科技有限公司
服务热线:13590108836
地址:深圳市福田区深南中路3006号佳和华强大厦B座3011